欢迎广东利尔智能仪器设备有限公司官网!

收藏本站

广东实验室检测设备实力厂家-恒温恒湿试验箱_温湿度老化试验箱_温度循环试验箱_可靠性试验设备厂家公司-非标定制-利尔智能仪器

专注实验室检测设备系统服务制造商一企一策 提供高性价比的产品和服务
全国服务热线:134-3361-8766

你可能在搜索:步入式恒温恒湿老化房

您的位置:
  • 质量法-7寸触摸屏
质量法-7寸触摸屏
  • 一企一策 提供高性价比的产品和服务

产品 询价 服务

134-3361-8766

详细介绍 / Introduction


熔融指数仪

一、产品介绍:

用于测定各种塑胶、树脂在粘流状态时通过一定的温度和负荷,每10min通过标准口模熔体流动速率MFR值,它适用于熔融温度较高的聚碳酸酯、聚芳砜、氟塑料、尼龙等工程塑料,也适用于聚乙烯(PE)、聚苯乙烯(PS)、聚丙烯(PP)、ABS树脂、聚甲醛(POM)、聚碳酸酯(PC)树脂等熔融温度较低的塑料测试,广泛地应用于塑料生产,塑料制品、石油化工等行业以及相关院校、科研单位和商检部门。

二、执行标准:

  • GB/T3682-2018 《热塑性塑料熔体流动速率和熔体体积流动速率的测定》
  • ISO 1133:1997《热塑性塑料熔体质量流动速率MFR和熔体体积流动速率MVR的测定》
  • ASTM D1238 《挤压式塑性计测定热塑性塑料熔体流动速率的标准测试方法》

三、测试方式:质量法(MFR)

四、显示方式:7寸触摸屏控制器

五、产品特点

  • 中英文才彩色液晶显示
  • 手自动切料一体
  • 双温控系统,温度控制精度更精准,升温效率更高
  • 双进口传感器,上下温度梯度更精确,可独立使用,提高使用寿命
  • 料筒为进口哈氏合金渗氮处理,口模为碳钨钢材质,用料实在
  • 保温桶为全sus304不锈钢材质,长期高温不生锈
  • 自动计算结果,并打印输出

六、主要技术参数:

  • 温度范围:RT-450℃
  • 温度波动度:±0.2℃
  • 温度均匀度:±1℃
  • 温度显示分辨率:0.1℃
  • 时间显示分辨率:1S
  • 位移精度:001mm
  • 体积计时:001S
  • 测试结果范围:1-150g/10min
  • 料筒直径:Φ2.095±0.005mm
  • 出料口长度:8.000±0.025mm
  • 装料筒直径:Φ9.550±0.025mm
  • 砝码精度:±0.5%
  • 输出方式:微型自动打印输出
  • 切料方式:手自动切料一体
  • 试验负荷:全套八级砝码
  • 电源电压:AC220V±10%  50HZ

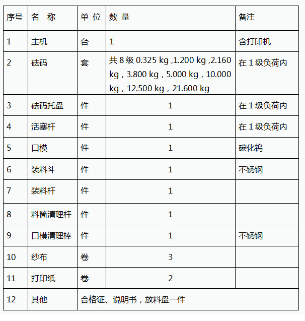
 六、熔融指数配件清单:
                               

  • 扫一扫微信咨询 关注我们公众号
    手机网站
  • 利尔仪器专业研发生产的设备有:恒温恒湿试验箱、冷热冲击试验箱、高低温试验箱、快速温变试验箱等,利尔仪器愿与您同行,成就未来!

广东利尔智能仪器设备有限公司公司邮箱:panna866@163.com
7×24小时热线:134-3361-8766售后电话:134-3361-8766
工厂地址:广东省东莞市清溪镇金竹街22号1栋102室